G60-SIM Substation Status & Control Circuit Simulator

G60-SIM Substation Status & Control Circuit Simulator

Back

Feature Application Function Structure and Size Performance and Parameters Model List Download

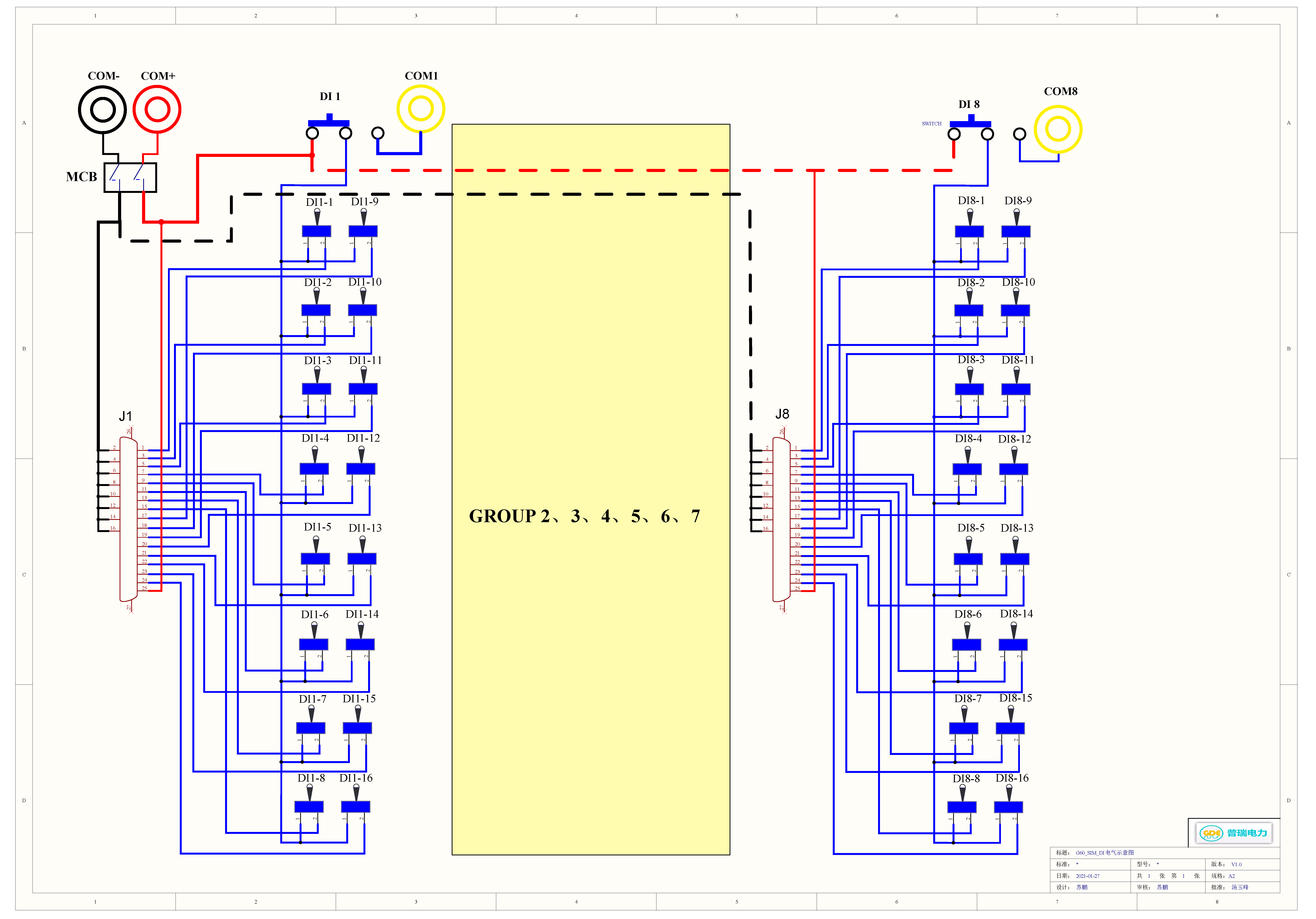
-Simulating a substation that consists of circuit breaker with isolation switches:

 8x independent “Trip” and “Close” control input

 8x Circuit breaker NO & NC status outputs

 8x Manual “Trip” and “Close” push-button

 4x status indication LEDs

-Each set of circuit breaker simulator has independent 3 lines control and 3 lines status circuits, capable of taking DC24-220V control signals. Every 2 sets of circuit breaker simulator share one millatry grade spring-assisted metal plug and circuit for exceptional fast setup and reliable connection

-Total 128x status simulation points (8 groups, 16 points per group), can be used to simulator circuit breaker, isolator, equipment status or positions, support fast configuration of substation protection & control operation for practical testing

-Two kind of connection: 128x points with one common DC24-220V reference voltage, or 16 points per set each with independent reference voltage

-Easy to carry box with handle for great mobility

This is the testing equipment that can very significantly speed-up system pre-commissioning works, to act as an control panel, as well as a routine maintenance tool for power substation, lab, plant and school.

It is suitable for the application scenarios where simulation tests for protection relay, bay controller, operation control circuits of circuit breakers, isolator and devices are required:
·    Engineering commissioning and acceptance tests, routine operation and maintenance tests at power plant and substations
·    Equipment protection testing and engineering commissioning acceptance tests by equipment and system manufacturers
·    Inspection tests by inspection and testing organizations.
·    Simulation tests in research, development and teaching laboratories

GoPowerCloud
WhatsApp
+86-020-87071649

Email:tracy@gdepri.com, WhatsApp: +852 67048440
Address:13th floor, Building 2, Jingguang Collaborative Innovation Center,45 Ruiji Second Street, Huangpu District, Guangzhou, China (510799)

GDEpri Login

Username

Password

Login
Save login

GDEpri Login

Email

GDEpri Account

Create a GDEpri account and gain access to the following and more:

  • Support
  • Download
  • Partner
  • Recruitment
  • Create myGDEpri account
    Problem